Basic
Positioning and objective
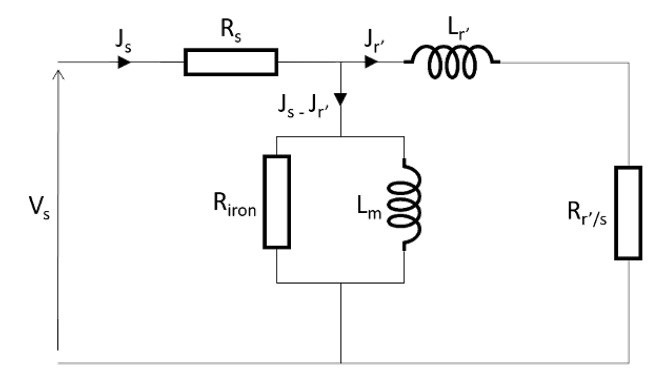
The aim of the test “Characterization – Model – Motor – Basic” is to identify the parameters of an electrical equivalent scheme of the 3-Phase induction machine with squirrel cage according to targeted input values U and f (Magnitude of line-line voltage and Power supply frequency).
- First, the equivalent scheme called “Original Model” is characterized by performing the two following classical tests: The No-load test and the locked-rotor test.
- Then, it is possible to improve the accuracy of the “Original model” by using refinement process to obtain a “Refined Model”.
- And lastly, once the model identification is done, it is possible to evaluate machine behavior by considering various working point defined by the magnitude of “Operating line-line voltage” and “Operating power supply frequency”.

To get a good accuracy of results, it is highly recommended to use the model with a Line-Line voltage and even more a Power supply frequency close to those used for its identification.
Based on the resulting electrical equivalent scheme, results are computed and displayed to give an overview of the electromagnetic analysis of the machine. General data of the machine, like mechanical torque, currents, power factor and power balance are computed and displayed as curves.
System integrators and / or control-command engineers will find a tool adapted to their needs. Indeed, the resulting equivalent scheme can be used into a system simulation software for evaluating the interaction between the machine and the system in which it is integrated.
The following table helps to classify the test “Characterization – Model – Motor – Basic”.
| Family | Characterization |
|---|---|
| Package | Model |
| Convention | Motor |
| Test | Basic |