Anti-lock Braking System

When you build a car/light truck mode using the Assembly Wizard, you can select to include Anti-Lock-Braking. The Anti-Lock Braking MotionView system collects information like wheel speeds, vehicle longitudinal acceleration, front and rear master cylinder pressure, and brake pedal switch from the MotionView model as input to the ABS Activate Model imported into MotionView as a Functional Mock-up Unit (FMU). The ABS Activate Model estimates the wheel slips and when impending wheel lock occurs under braking outputs modulated hydraulic pressure for each brake caliper to the MotionView ABS system. The MotionView ABS system then outputs those pressures MotionView brake system. The Anti-Lock Braking Altair Activate model (.scm file) is included in the MDL Library for viewing and editing (…\hwdesktop\hw\mdl\mdllib\Common\FMU_Library\ABS). The figure below shows the schematic relationship between the ABS Activate Model and the MotionView Brake.


Figure 1.

The following sections describe the ABS Activate Model and how to use the Assembly Wizard to build a vehicle model that includes ABS.

ABS Activate Model

In Altair Activate the Anti-Lock Braking System is a super block (as shown below) with the input ports on the left and outputs ports on the right side of the block.


Figure 2.
All of the inputs represent sensors signals, except the front and rear master cylinder hydraulic pressures which are needed to model the physics of the flow through the hydraulic control valves. Expanding the ABS super block as shown in the figure below reveals two major sub-blocks: the ABS Electronic Control Unit and the Hydraulic Modulator. Each sub-block is described independently below.


Figure 3.
ABS Electronic Control Unit
The ABS Electronic Control Unit estimates the wheel slips and determines whether to modulate the hydraulic pressure and then sends control signals to the Hydraulic Modulator.


Figure 4.
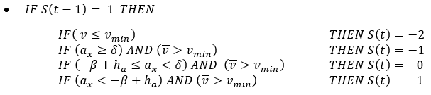
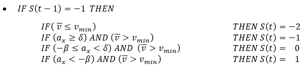
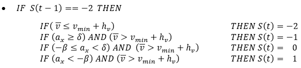
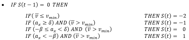
Most ABS control algorithms use bang-bang control abruptly switching between states. The ABS controller here switches between three states: “apply”, “hold” or “release” pressure. The controller estimates the wheel slip ratio and wheel angular acceleration and then outputs the desired valve state signal in accordance with the following algorithm:
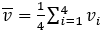
Wheel slip is estimated from the wheel rotational velocity and the vehicles longitudinal velocity as:
Where:
  • : wheel slip
  • : wheels rotational velocity
  • : vehicle’s longitudinal velocity
  • : tires radius
  • : a small number


Figure 5.
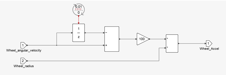
The wheel's angular acceleration is calculated using wheels rotational velocity as:


Figure 6.

Where is the sampling time of sensors.

The vehicle’s longitudinal velocity used in slip calculation refers is estimated from the wheel speeds and vehicle’s longitudinal acceleration.


Figure 7.
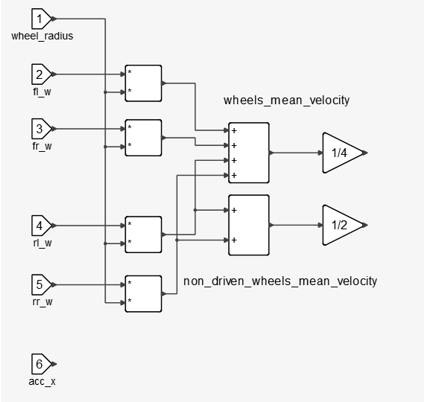
Each sampling instant three auxiliary signals are computed:
  • Average wheel speed of the four tires
  • Average wheel speed of the two non-driven tires
  • Longitudinal Acceleration


Figure 8.
Estimation algorithm behavior changes according to the status of vehicle which can be represented by four values:
  • Vehicle's velocity is very low
  • Vehicle is accelerating
  • Vehicle has constant velocity or decelerating softly
  • Vehicle is decelerating

Status is computed based on previous step status and some threshold values alongside with some hysteresis in order to keep the algorithm stable.











Figure 9.
Velocity estimation based on the current status of the vehicle is:
Finally, the ABS Electronic Control Unit is also responsible to trigger ABS. This happens after a significant amount of wheel slip occurs. Here the electronic control unit works as a switch specifying if brake pressure is controlled by ABS module.


Figure 10.
Hydraulic Modulator
The Hydraulic Modulator is the actuator of the brake system. When a signal is generated, it’s responsible for changing pressure according to the signal. In normal conditions master cylinders pressure is acting on calipers. When ABS is activated caliper pressure is reduced, hold, or increased at a certain rate.


Figure 11.
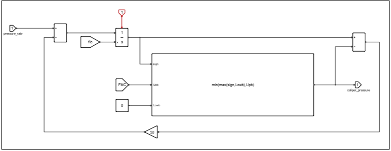
Pressure rate is modeled in Activate as a first order transfer function where denotes the magnitude of pressure change rate and is the time delay of the valve to reach its steady condition.


Figure 12.
Finally, an integrator is used in order to change the applied pressure on the caliper. This integrator is simulating caliper’s pressure, so it needs to be correctly initialized and saturated. For its initialization an event trigger is used which tracks the activation of ABS. For its saturation an anti-windup integrator was designed so the ABS cannot exceed master cylinder pressure given from the driver.


Figure 13.

Create a Vehicle Model with ABS

Follow the steps below to create a full vehicle model with ABS.
  1. Load the MBD-Vehicle Dynamics Tools preference file (File > Load > Preference File > MBD-Vehicle Dynamics Tools)


    Figure 14.
  2. From the Model tab, select the Assembly Wizard.


    Figure 15.
  3. On Page 8 of the dialog, select the Anti-Lock Brake System.


    Figure 16.
Completing the Assembly Wizard’s selections will lead to a full vehicle model with Altair Driver and an Anti-Lock Braking System.


Figure 17.


Figure 18.