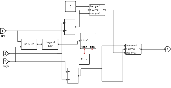
ControlledDeadzone
Diagram Context
On this page
Diagram Context