Package Modelica.​Fluid.​Examples.​AST_BatchPlant
Model of the experimental batch plant at Process Control Laboratory at University of Dortmund (Prof. Engell)

Information

The process under consideration is an evaporation plant for a student lab at the Process Control Laboratory (AST) of the University of Dortmund that evaporates a water sodium chloride mixture so that a higher concentrated solution is produced. The task of the students is to learn how to program the process control system. A picture of the batch plant is shown in the figure below.

AST_BatchPlant1.jpg

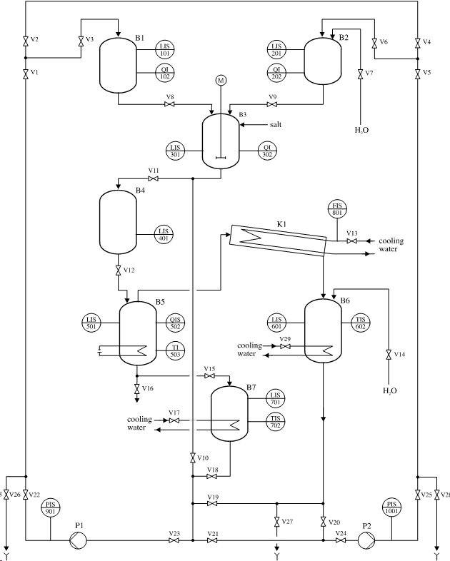
The flow sheet diagram is shown in the next figure.

AST_BatchPlant2.png

Pure water from tank B1 and concentrated sodium chloride solution from tank B2 are mixed in a mixing tank B3. After buffering in tank B4 the mixture flows to the evaporator B5. Here the water sodium chloride mixture is evaporated until the desired concentration is reached. The steam is condensed in the condenser K1 and cooled afterwards in the cooling tank B6. The concentrated solution is also led to a cooling tank B7. The cooled fluids are pumped back to the charging vessels by the pumps P1 and P2. Between the tanks several valves are present that are regulated by a central control system.

This case study is described in more detail in this Modelica Conference 2006 paper.

Extends from Modelica.​Icons.​ExamplesPackage (Icon for packages containing runnable examples).

Package Contents

NameDescription
BaseClasses 
BatchPlant_StandardWaterModel of an experimental batch plant
TestTest of used tank models

Model Modelica.​Fluid.​Examples.​AST_BatchPlant.​BatchPlant_StandardWater
Model of an experimental batch plant

Information

Documentation for this example can be found on the enclosing package.

BatchPlant_StandardWater.png

Extends from Modelica.​Icons.​Example (Icon for runnable examples).

Parameters

TypeNameDefaultDescription
LengthpipeDiameter0.01Pipe diameter